VVT可变气门正时组成工作原理和优点 VVT可变气门正时图解
的有关信息介绍如下:vvt是VariableValveTiming的缩写,意指可变正时气门系统。vvt发动机是近些年来被逐渐应用于现代汽车上的新技术中的一种,发动机采用可变气门正时技术可以提高进气充量,使充量系数增加,发动机的扭矩和功率可以得到进一步的提高。
变气门正时(VVT, Variable Valve Timing)可以控制发动机气门开启时间,是一种用于汽车活塞式发动机中的技术。VVT技术可以调节发动机进气排气系统的重叠时间与正时(其中一部分或者全部),降低油耗并提升效率。

VVT的主要组成部件有:
原创 HTTPS://www.qcwxjs.com/
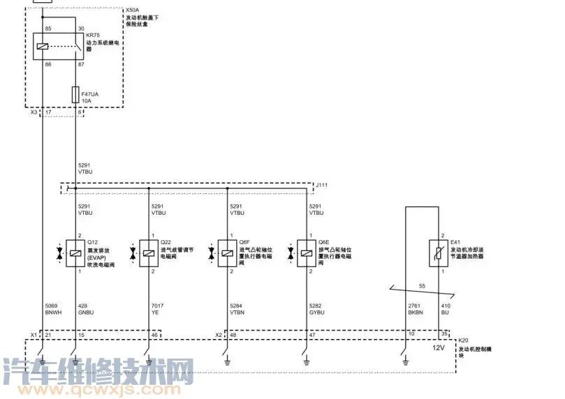
发动机电脑
vvt相位器
进排气凸轮轴位置传感器
曲轴位置传感器
进排气VVT电磁阀
进排气凸轮轴位置执行器
油路油道
vvt控制阀滤网

当发动机由低速向高速转换时,电子计算机就自动地将机油压向进气凸轮轴驱动齿轮内的小涡轮,这样,在压力的作用下,小涡轮就相对于齿轮壳旋转一定的角度,从而使凸轮轴在60度的范围内向前或向后旋转,从而改变进气门开启的时刻,达到连续调节气门正时的目的。

VVT可变气门正时工作原理
虽然可变气门正时技术在各个厂商的称谓略有不同,但是实现的方式却大同小异。以丰田的VVT-i技术为例,其工作原理为:该系统由ECU协调控制,发动机各部位的传感器实时向ECU报告运转情况。由于在ECU中储存有气门最佳正时参数,所以ECU会随时对正时机构进行调整,从而改变气门的开启和关闭时间,或提前、或滞后、或保持不变。
简单的说,VVT系统就是通过在凸轮轴的传动端加装一套液力机构,从而实现凸轮轴在一定范围内的角度调节,也就相当于对气门的开启和关闭时刻进行了调整。
目前,可变气门正时技术几乎已成为当今发动机的标准配置,为了进一步挖掘传统内燃机的潜力,工程人员又在此基础上研发出可变气门升程技术,即可以控制气门开启角度。当二者有效的结合起来时,则为发动机在各种工况和转速下提供了更高的进、排气效率。进一步提升动力和降低油耗。

VVT系统的的所有工作均需通过机油完成,为保证VVT及时、准确的工作,必须保证油压在工作范围内,为此,一般VVT发动机均有单独的VVT油路,如图4所示。机油从油底壳被机油泵输送到凸轮轴,然后经过OCV机油控制阀,然后由控制阀控制进入相位器内部空腔中的机油量和机油流入/流出方向。OCV按照ECU的指令,通过Spool Valve(阀芯)的轴向位置来调节机油的流向,使叶片相对壳体转动,从而实现对配气相位的调节及控制如图5所示。

进排气凸轮轴位置传感器和曲轴位置传感器不仅仅用于点火和喷油的正时信号,还是VVT可变气门正时技术的参考信号,识别凸轮轴和曲轴的相对位置从而对凸轮轴进行精确控制。
凸轮轴位置电磁阀用于控制进入执行器的机油量,通过改变进入执行器的机油量,来改变执行器调节的角度。而执行器和凸轮轴链轮制成一体,这样就可以改变凸轮轴的角度。发动机电脑获取曲轴凸轮轴的位置信号,计算车子的负载和驾驶员需求。向电磁阀发出12V脉宽信号,控制凸轮轴改变角度。通过改变进气门和排气门的气门重叠角来增强发动机性能。
VVT可变气门正时的优点

①降低尾气排放
②增大输出扭矩
③提高经济性能
④提高怠速稳定

vvt发动机优缺点:
优点:省油,功升比大 缺点:中端转速扭矩不足
VVT系统其最终的目的是实现对凸轮轴正时的实时调节和控制,和其他控制系统一样,其最关键的技术特性也是如下三点:
(1)响应速度:即VVT系统的调节速度,单位时间内VVT系统能调节凸轮轴转过的角度。其中,相位器本身的结构参数对该指标影响最大,可以引入扭矩压力比参数来衡量,该参数仅与相位器结构有关。另外,OCV在油道中的安装位置也对VVT系统的响应速度有较大影响。
(2)控制精度:即VVT系统实际的相位角与ECU设定的目标角之间的符合程度。在VVT系统功能试验中,通常用跟随性曲线来表征。
(3)控制稳定性:即VVT系统在外界条件发生改变时(如发动机机油油压,温度等条件发生变化)对该系统产生干扰,闭环控制系统是否能稳定的工作,一般以某一控制位置时的调节角度波动量来衡量。
VVT系统工作过程
为了更好的说明VVT系统的工作过程,下面以进气VVT为例,分别概述其三个最基本的工作过程:
1、基准位置:输入OCV的PWM信号占空比通常为0%,阀芯没有移动。相位器右侧油腔油压大于左侧油腔油压,叶片左侧紧靠在定子台肩上,转子与定子之间没有发生相对转动,及凸轮轴相对于曲轴正时没有调节。通常进气VVT基准位置为进气配气相位滞后位置,即进气门滞后打开和关闭。
2、工作位置:输入OCV的PWM信号占空比逐渐加大,阀芯移动到最远的位置,相位器中左侧油腔压力逐渐加大,解锁后,当左侧油腔中压力大于右侧油腔压力,并克服凸轮轴摩擦转矩以及相位器内部摩擦转矩等之后,转子相对定子有顺时针转动,凸轮轴向正时提前方向调节,即进气门将提前打开和关闭。
3、稳定位置,也叫控制位置:即转子相对定子顺时针转动一定角度后,输入OCV的PWM信号占空比大约在50%左右,相位器左右两侧油腔同时供油,转子和定子保持在该相对位置。通常VVT介入调节后,大部分时间工作在某一角度的动态稳定位置。



VVT系统工作过程图解
VVT工作的状态
通过不同的工况来改变气门重叠角,怠速的时候,减小气门重叠角,达到减小废气回流,稳定怠速;中低负荷的时候,增重叠角,废气再循环,减小碳排放,有利于进气效率,提升燃油经济性;大负荷高速行驶的时候,减少重叠角,延迟进气时间,增加进气效率。
今天汽车维修网小编就介绍汽车VVT可变气门正时组成工作原理和优点到这里了,对于VVT可变气门正时的知识你都了解清楚了吗,希望汽车维修网小编的介绍能够帮助到大家,喜欢的话继续关注本站哦。
www.QCWX♩S.COM



